W artykule przyjrzymy się różnicom między Laddomatem a zaworem termostatycznym, ich funkcjom oraz zastosowaniom. Dowiemy się, które rozwiązanie będzie lepsze dla Twojego systemu grzewczego oraz jakie korzyści przynosi ich współpraca. Dzięki temu podejmiesz świadomą decyzję, która poprawi komfort cieplny w Twoim domu.
Najistotniejsze informacje:
- Laddomat automatycznie zarządza temperaturą w systemach grzewczych, optymalizując ładowanie zbiornika akumulacyjnego.
- Zawór termostatyczny precyzyjnie reguluje przepływ ciepła w grzejnikach, co zapewnia komfort użytkowania.
- Laddomat jest szczególnie polecany w instalacjach z kotłami na paliwo stałe, natomiast zawory termostatyczne sprawdzają się w różnych systemach grzewczych.
- Współpraca obu rozwiązań może przynieść oszczędności na poziomie 30% dla Laddomatu i 10-15% dla zaworów termostatycznych.
- Wybór odpowiedniego rozwiązania powinien być dostosowany do specyfiki instalacji grzewczej oraz potrzeb użytkowników.
Wprowadzenie do Laddomat i zaworów termostatycznych w ogrzewaniu
Laddomat i zawór termostatyczny to dwa kluczowe elementy w systemach grzewczych, które pełnią różne, ale uzupełniające się funkcje. Laddomat jest zaawansowanym modułem, który automatycznie zarządza temperaturą w całym systemie, a jego zastosowanie przyczynia się do optymalizacji działania kotłów na paliwa stałe. Z kolei zawór termostatyczny reguluje przepływ ciepłej wody w grzejnikach, co pozwala na dostosowanie temperatury w pomieszczeniach do aktualnych potrzeb użytkowników. Oba te rozwiązania mają na celu zwiększenie efektywności energetycznej i komfortu cieplnego w budynkach.
W dalszej części artykułu przyjrzymy się bliżej funkcjom i zastosowaniom zarówno Laddomatu, jak i zaworów termostatycznych. Zrozumienie ich działania pomoże w podjęciu świadomej decyzji o wyborze odpowiedniego rozwiązania do konkretnego systemu grzewczego. Dzięki temu można osiągnąć znaczące oszczędności oraz poprawić komfort użytkowania instalacji grzewczej.
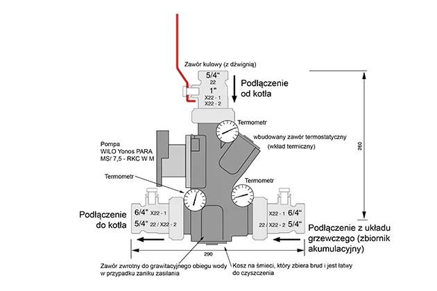
Laddomat – definicja i główne funkcje w systemach grzewczych
Laddomat to moduł mieszająco-ładujący, który współpracuje z kotłami na paliwa stałe. Jego podstawową funkcją jest automatyczne zarządzanie temperaturą w systemie grzewczym, co przekłada się na efektywność działania całej instalacji. Działa na zasadzie mieszania wody o różnych temperaturach, co zapobiega przegrzaniu kotła i umożliwia cyrkulację grawitacyjną w przypadku braku prądu. Dzięki temu Laddomat chroni kocioł przed korozją niskotemperaturową i wydłuża jego żywotność.W instalacjach z kotłami na paliwa stałe oraz zbiornikami akumulacyjnymi, Laddomat może przynieść nawet 30% oszczędności w kosztach ogrzewania. Jego zastosowanie jest szczególnie zalecane w domach jednorodzinnych, gdzie konieczne jest efektywne zarządzanie ciepłem. Dzięki Laddomatowi, użytkownicy mogą cieszyć się stabilną temperaturą w pomieszczeniach, co wpływa na komfort życia oraz obniża rachunki za energię.
Zawór termostatyczny – jak działa i jakie ma zastosowania
Zawór termostatyczny to urządzenie, które reguluje przepływ ciepłej wody w grzejnikach w zależności od temperatury w pomieszczeniu. Działa automatycznie, reagując na zmiany temperatury, co pozwala na precyzyjną kontrolę ciepła w każdym z pomieszczeń. Dzięki temu użytkownicy mogą dostosować temperaturę do swoich indywidualnych potrzeb, co znacząco wpływa na komfort użytkowania.
Ten typ zaworu jest uniwersalnym rozwiązaniem, które można zainstalować w różnych systemach grzewczych, niezależnie od źródła ciepła. Montuje się go bezpośrednio na grzejnikach, co sprawia, że jego instalacja jest prosta i szybka. Użytkowanie zaworu termostatycznego może przynieść oszczędności na poziomie 10-15% kosztów ogrzewania, co czyni go atrakcyjnym rozwiązaniem dla wielu gospodarstw domowych.
Porównanie Laddomat i zaworu termostatycznego w kontekście efektywności
Wybór między Laddomat a zaworem termostatycznym jest kluczowy dla efektywności systemów grzewczych. Oba te elementy mają na celu poprawę zarządzania ciepłem, jednak działają na różnych zasadach i w różnych kontekstach. Laddomat optymalizuje proces ładowania zbiornika akumulacyjnego oraz zapobiega przegrzewaniu kotła, podczas gdy zawór termostatyczny reguluje przepływ ciepła w grzejnikach, co przekłada się na komfort użytkowania. W tej sekcji porównamy ich efektywność energetyczną oraz potencjalne oszczędności, jakie można osiągnąć dzięki ich zastosowaniu.
W przypadku Laddomatu, jego zastosowanie w systemach grzewczych może przynieść znaczące korzyści. Dzięki automatycznemu zarządzaniu temperaturą, Laddomat pozwala na oszczędności rzędu 30% w kosztach ogrzewania. Przykładem może być instalacja w domu jednorodzinnym, gdzie zastosowanie Laddomatu przyczyniło się do znacznego zmniejszenia zużycia energii, co potwierdzają wyniki audytów energetycznych. System ten działa na zasadzie mieszania wody o różnych temperaturach, co pozwala na efektywne wykorzystanie energii i ograniczenie strat ciepła.
Zawory termostatyczne również przyczyniają się do oszczędności, choć w nieco innym zakresie. Dzięki precyzyjnej regulacji przepływu ciepła, użytkownicy mogą zaoszczędzić od 10% do 15% na kosztach ogrzewania. Na przykład, w mieszkaniach, gdzie zainstalowano zawory termostatyczne, zauważono poprawę komfortu cieplnego oraz redukcję kosztów eksploatacyjnych. Zawory te działają automatycznie, dostosowując przepływ ciepłej wody do aktualnych potrzeb, co sprawia, że są uniwersalnym rozwiązaniem w różnych systemach grzewczych.
| Element | Efektywność energetyczna | Potencjalne oszczędności |
|---|---|---|
| Laddomat | Optymalizacja ładowania zbiornika, zapobieganie przegrzewaniu kotła | 30% |
| Zawór termostatyczny | Precyzyjna regulacja przepływu ciepła w grzejnikach | 10-15% |
Czytaj więcej: Jaka średnica rury do przyłącza wody? Odpowiedzi, które musisz znać
Wybór odpowiedniego rozwiązania do Twojego systemu grzewczego
Wybór między Laddomat a zaworem termostatycznym powinien być oparty na specyfice Twojego systemu grzewczego. Kluczowe czynniki to rodzaj źródła ciepła, typ instalacji oraz indywidualne potrzeby użytkowników. Laddomat sprawdzi się najlepiej w domach z kotłami na paliwa stałe oraz zbiornikami akumulacyjnymi, gdzie jego automatyczne zarządzanie temperaturą przynosi największe korzyści. Natomiast zawory termostatyczne są bardziej uniwersalne i mogą być stosowane w różnych systemach grzewczych, co czyni je idealnym rozwiązaniem do pomieszczeń o zmiennym zapotrzebowaniu na ciepło.
Podczas wyboru Laddomatu, warto zwrócić uwagę na jego kompatybilność z konkretnym typem kotła oraz zbiornika akumulacyjnego. Należy również sprawdzić, czy system grzewczy wymaga cyrkulacji grawitacyjnej, co może być istotne w przypadku awarii zasilania. Dobrze dobrany Laddomat zapewni nie tylko efektywność energetyczną, ale również ochroni kocioł przed korozją niskotemperaturową, co przedłuży jego żywotność.
Jak dobrać Laddomat do konkretnego typu ogrzewania
Wybierając Laddomat, kluczowe jest zrozumienie wymagań Twojego systemu grzewczego. Przede wszystkim, upewnij się, że Laddomat jest kompatybilny z kotłem na paliwo stałe, który posiadasz. Ważne jest również, aby ocenić pojemność zbiornika akumulacyjnego oraz jego zdolność do współpracy z Laddomatem, co wpłynie na efektywność całego systemu. Dobrze dobrany Laddomat przyczyni się do optymalizacji ładowania zbiornika oraz poprawy komfortu cieplnego w domu.
Kolejnym czynnikiem do rozważenia jest lokalizacja i układ instalacji grzewczej. Laddomat powinien być zainstalowany w miejscu, które umożliwia efektywne mieszanie wody o różnych temperaturach. Warto również skonsultować się z fachowcem, który pomoże ocenić, czy wybrany model Laddomatu spełnia wszystkie wymagania Twojego systemu. Pamiętaj, aby unikać powszechnych błędów, takich jak dobór zbyt małego lub zbyt dużego Laddomatu, co może prowadzić do nieefektywnego działania systemu.Kryteria wyboru zaworu termostatycznego do instalacji
Wybierając zawór termostatyczny, kluczowe jest zrozumienie, jak działa Twój system grzewczy. Zawory termostatyczne są idealne do instalacji, które wymagają precyzyjnej regulacji temperatury w poszczególnych pomieszczeniach. Ważne jest, aby upewnić się, że zawór jest kompatybilny z typem grzejnika oraz źródłem ciepła, które posiadasz. Dobrze dobrany zawór termostatyczny nie tylko poprawi komfort cieplny, ale również wpłynie na oszczędności energetyczne.
Przy wyborze zaworu termostatycznego, zwróć uwagę na jego zakres regulacji oraz czas reakcji. Zawory o szerszym zakresie regulacji pozwalają na lepsze dostosowanie temperatury do indywidualnych potrzeb użytkowników. Dodatkowo, wybierając zawór, warto zainwestować w modele, które oferują funkcje automatycznej kalibracji, co zwiększa ich efektywność i komfort użytkowania. Pamiętaj, aby zawsze sprawdzić opinie i rekomendacje przed dokonaniem zakupu, aby mieć pewność, że wybrany zawór będzie działał niezawodnie.

Możliwość stosowania obu rozwiązań w jednym systemie grzewczym
Stosowanie zarówno Laddomat, jak i zaworu termostatycznego w jednym systemie grzewczym przynosi szereg korzyści, które mogą znacząco poprawić efektywność i komfort cieplny w budynku. Kombinacja tych dwóch rozwiązań pozwala na optymalne zarządzanie ciepłem, co przekłada się na niższe rachunki za energię. Laddomat, dzięki swojej funkcji mieszania wody o różnych temperaturach, współpracuje z zaworami termostatycznymi, które precyzyjnie regulują przepływ ciepła w grzejnikach. Taki zintegrowany system nie tylko zwiększa efektywność energetyczną, ale także zapewnia lepszą kontrolę temperatury w poszczególnych pomieszczeniach.
W praktyce, zastosowanie obu rozwiązań może prowadzić do znacznych oszczędności. Na przykład, w domu jednorodzinnym, gdzie zainstalowano Laddomat oraz zawory termostatyczne, użytkownicy zgłaszali oszczędności na poziomie 30% dzięki Laddomatowi oraz dodatkowe 10-15% dzięki zaworom termostatycznym. Taki układ nie tylko pozwala na lepsze wykorzystanie energii, ale także zwiększa komfort użytkowania, eliminując problemy z przegrzewaniem lub niedogrzewaniem pomieszczeń. Użytkownicy mogą cieszyć się stabilną temperaturą w każdym pomieszczeniu, co wpływa na ich komfort codziennego życia.
Korzyści z jednoczesnego użycia Laddomat i zaworu termostatycznego
Współpraca Laddomatu z zaworem termostatycznym przynosi synergiczne korzyści, które znacząco poprawiają efektywność systemu grzewczego. Połączenie tych dwóch elementów pozwala na automatyczne zarządzanie temperaturą w całym budynku, co jest szczególnie istotne w domach z różnorodnymi pomieszczeniami o zmiennym zapotrzebowaniu na ciepło. Laddomat optymalizuje ładowanie zbiornika akumulacyjnego, a zawory termostatyczne dostosowują przepływ ciepła w grzejnikach, co przekłada się na oszczędności i komfort.
Przykładowo, w instalacji, gdzie zastosowano oba rozwiązania, użytkownicy zauważyli, że w okresie zimowym koszty ogrzewania były znacznie niższe. Dzięki Laddomatowi, ciepło było efektywnie zarządzane, a zawory termostatyczne pozwalały na precyzyjne dostosowanie temperatury w każdym pomieszczeniu. Taki zintegrowany system nie tylko zwiększa efektywność energetyczną, ale także wpływa na jakość życia mieszkańców, zapewniając im optymalne warunki cieplne.
Przykłady zastosowania obu rozwiązań w praktyce
W wielu domach i budynkach użyteczności publicznej zastosowanie zarówno Laddomat, jak i zaworów termostatycznych przynosi wymierne korzyści. Na przykład, w nowoczesnym domu jednorodzinnym w Warszawie zainstalowano system grzewczy oparty na kotle na paliwa stałe, który współpracuje z Laddomatem oraz zaworami termostatycznymi. Dzięki temu rozwiązaniu, właściciele domu zauważyli znaczące oszczędności na poziomie 35% w kosztach ogrzewania w porównaniu do wcześniejszego systemu, który nie wykorzystywał tych technologii. Laddomat optymalizował ładowanie zbiornika akumulacyjnego, a zawory termostatyczne precyzyjnie regulowały temperaturę w poszczególnych pomieszczeniach.
Kolejnym interesującym przykładem jest zastosowanie obu rozwiązań w lokalnej szkole podstawowej w Krakowie. Szkoła zainstalowała system grzewczy z Laddomatem i zaworami termostatycznymi, co pozwoliło na efektywne zarządzanie ciepłem w różnych salach lekcyjnych. W wyniku tego połączenia, szkoła zaoszczędziła około 15% na rocznych kosztach ogrzewania, a uczniowie cieszyli się komfortową temperaturą podczas zajęć. System ten okazał się nie tylko ekonomiczny, ale również przyjazny dla środowiska, co podkreśla rosnącą tendencję do stosowania nowoczesnych technologii w budynkach użyteczności publicznej.
- Dom jednorodzinny w Warszawie: oszczędności na poziomie 35% dzięki Laddomatowi i zaworom termostatycznym.
- Szkoła podstawowa w Krakowie: 15% oszczędności na rocznych kosztach ogrzewania przy zastosowaniu obu rozwiązań.
Innowacyjne podejścia do integracji Laddomat i zaworów termostatycznych
W miarę jak technologia grzewcza się rozwija, pojawiają się nowe możliwości integracji Laddomat i zaworów termostatycznych z systemami inteligentnego zarządzania budynkiem. Wykorzystanie systemów automatyzacji, takich jak inteligentne termostaty i aplikacje mobilne, może znacznie zwiększyć efektywność działania obu rozwiązań. Dzięki możliwości zdalnego monitorowania i regulacji temperatury, użytkownicy mogą dostosować ustawienia w czasie rzeczywistym, co pozwala na jeszcze większe oszczędności energii oraz komfort.
Przykładem nowoczesnego podejścia jest zastosowanie systemów IoT (Internet of Things), które łączą Laddomat i zawory termostatyczne z czujnikami temperatury i wilgotności w pomieszczeniach. Taki system nie tylko automatycznie reguluje przepływ ciepła, ale także dostosowuje ustawienia w oparciu o rzeczywiste warunki atmosferyczne oraz preferencje użytkowników. W rezultacie, użytkownicy mogą osiągnąć jeszcze lepsze wyniki w zakresie oszczędności energii i komfortu, co czyni ich domy bardziej ekologicznymi i przyjaznymi dla środowiska.
